IILM723 Power Supply Schematic: Your Guide

S.Dufferinbot 52 views
IILM723 Power Supply Schematic: Your Guide

IILM723 Power Supply Schematic: Your Guide

Hey guys! Ever found yourself staring at a busted power supply, scratching your head and wondering where to even begin? Well, if you’re dealing with an IILM723 power supply, you’ve come to the right place. This guide is all about demystifying the IILM723 power supply schematic, helping you understand how it works, troubleshoot common issues, and maybe even fix it yourself. We’re going to break it down into easy-to-digest chunks, so even if you’re not an electronics whiz, you’ll be able to follow along. Let’s dive in!

Understanding the Basics of the IILM723 Power Supply

Let’s kick things off with a little background. The IILM723 is a versatile and widely used voltage regulator integrated circuit. It’s basically the heart of many power supplies, responsible for taking an input voltage (which can fluctuate) and turning it into a stable, consistent output voltage that your electronic devices need to function properly. Without a reliable power supply, your gadgets would be as good as paperweights. The IILM723 ensures that your devices get the right amount of juice, preventing damage from over-voltage or under-voltage situations. Knowing this is crucial to finding any issues that might come up when you are working with the IILM723. Now, why is the IILM723 so popular? Well, it’s relatively simple to use, it’s cost-effective, and it offers a good level of performance for a wide range of applications. You’ll find it in everything from simple bench power supplies to more complex industrial equipment. The chip itself typically comes in a dual-in-line package (DIP), which makes it easy to work with on a breadboard or printed circuit board (PCB). Plus, there’s a ton of documentation and support available online, which is a huge help when you’re trying to figure things out. Understanding the basic principles of operation of the IILM723 is essential for anyone looking to troubleshoot or repair power supplies that use this IC. It allows you to predict how the circuit should behave and identify deviations from normal operation, which can point you directly to the source of the problem. For example, if you know that the output voltage should be a certain value, you can use a multimeter to check if it’s within the expected range. If it’s not, you can then start investigating the components around the IILM723 to see if any of them are faulty.

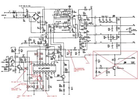
Decoding the IILM723 Power Supply Schematic

The schematic is your roadmap when it comes to understanding and fixing an IILM723 power supply. It’s a symbolic representation of the circuit, showing all the components and how they’re connected. At first glance, it might look like a jumbled mess of lines and symbols, but once you learn to read it, it becomes a powerful tool. The IILM723 power supply schematic includes several key sections: the input stage, the voltage reference, the error amplifier, the output stage, and protection circuitry. Each section plays a crucial role in the overall operation of the power supply. For example, the input stage filters and rectifies the incoming AC voltage, the voltage reference provides a stable voltage for comparison, the error amplifier compares the output voltage to the reference voltage and adjusts the output accordingly, the output stage provides the regulated DC voltage to the load, and the protection circuitry protects the power supply from over-voltage, over-current, and short-circuit conditions. Let’s break down some of the common symbols you’ll encounter: Resistors (zig-zag lines), Capacitors (parallel lines), Diodes (triangles with a line), Transistors (circles with lines and arrows), and the IILM723 IC itself (usually a rectangle with pin numbers). Knowing what each symbol represents is the first step in understanding the schematic. Beyond the symbols, pay attention to the lines connecting the components. These lines represent the electrical connections between the components. The thickness of the lines can sometimes indicate the current-carrying capacity of the connection. The schematic will also include voltage and current values at various points in the circuit. These values are extremely helpful for troubleshooting because they tell you what the expected voltage and current should be at each point. If you measure a voltage or current that’s significantly different from the value on the schematic, it’s a sign that there’s a problem in that section of the circuit. Some schematics also include test points, which are specific locations where you can connect a multimeter or oscilloscope to measure voltage, current, or waveforms. Test points are usually labeled with a TP designation (e.g., TP1, TP2, TP3). Finally, remember that the schematic is just a representation of the circuit. The actual physical layout of the components on the PCB may be different from what’s shown in the schematic. However, the electrical connections and the function of each component will be the same. By carefully studying the schematic and understanding the function of each component, you can gain a deep understanding of how the IILM723 power supply works and how to troubleshoot it effectively.

Common Issues and Troubleshooting Tips

Okay, so your IILM723 power supply isn’t working. Don’t panic! Let’s go through some common problems and how to troubleshoot them. One of the most frequent issues is no output voltage . If you’re not getting any voltage out of the power supply, the first thing to check is the input voltage. Is it present and within the expected range? If not, the problem might be upstream of the power supply. Next, check the fuse. A blown fuse is a common cause of no output voltage. If the fuse is blown, replace it with one of the same rating. However, be aware that a blown fuse is often a symptom of a larger problem, so don’t just replace it and forget about it. You’ll need to investigate further to find the root cause of the problem. Another common issue is unstable output voltage . If the output voltage is fluctuating or not holding steady, the problem could be with the feedback network. The feedback network is responsible for monitoring the output voltage and adjusting the input to maintain a stable output. Check the resistors and capacitors in the feedback network to see if any of them are out of spec. A faulty potentiometer can also cause unstable output voltage. If the output voltage is too high or too low, the problem could be with the voltage reference. The voltage reference provides a stable voltage for comparison, and if it’s not accurate, the output voltage will be off. Check the voltage reference with a multimeter to see if it’s within the specified range. If the output voltage is noisy, the problem could be with the filtering capacitors. Filtering capacitors are used to smooth out the DC voltage and remove any unwanted noise. Check the capacitors to see if any of them are leaking or bulging. If so, replace them. Another helpful troubleshooting technique is to use a multimeter to measure the voltage at various points in the circuit. Compare your measurements to the values shown on the schematic. If you find a significant discrepancy, it’s a sign that there’s a problem in that section of the circuit. Finally, remember to always disconnect the power supply from the mains before working on it. And be careful when working with high voltages. If you’re not comfortable working with electronics, it’s best to take the power supply to a qualified technician.

Reading Resistors, Capacitors, and Other Components

Being able to identify and read the values of electronic components is a crucial skill for anyone working with power supplies or any other type of electronic circuit. Resistors, capacitors, and inductors are the fundamental building blocks of most electronic circuits, and understanding how they work is essential for troubleshooting and repair. Resistors are components that resist the flow of current. They are used to limit current, divide voltage, and provide a load for a circuit. Resistors are typically marked with a series of colored bands that indicate their resistance value and tolerance. The color code is standardized, so you can use a resistor color code chart to determine the value of the resistor. Capacitors are components that store electrical energy in an electric field. They are used to filter noise, smooth DC voltage, and store energy for later use. Capacitors are typically marked with their capacitance value, voltage rating, and tolerance. The capacitance value is usually expressed in microfarads (µF) or picofarads (pF). The voltage rating is the maximum voltage that the capacitor can withstand without being damaged. Inductors are components that store electrical energy in a magnetic field. They are used to filter noise, block high-frequency signals, and store energy for later use. Inductors are typically marked with their inductance value, current rating, and tolerance. The inductance value is usually expressed in henries (H) or millihenries (mH). In addition to resistors, capacitors, and inductors, there are many other types of electronic components that you may encounter in a power supply, such as diodes, transistors, integrated circuits (ICs), and transformers. Each type of component has its own unique characteristics and markings. Diodes are semiconductor devices that allow current to flow in only one direction. They are used to rectify AC voltage, protect circuits from reverse polarity, and switch signals. Transistors are semiconductor devices that can be used to amplify or switch electronic signals and electrical power. They are used in a wide variety of applications, such as amplifiers, oscillators, and switches. ICs are complex electronic circuits that are integrated onto a single silicon chip. They are used to perform a wide variety of functions, such as voltage regulation, signal processing, and data storage. Transformers are passive electrical devices that transfer electrical energy from one circuit to another through electromagnetic induction. They are used to step up or step down voltage, isolate circuits, and match impedance. By learning to identify and read the values of these components, you’ll be well-equipped to troubleshoot and repair IILM723 power supplies and other electronic circuits.

Tips for Safe Handling and Repair

Safety first, guys! When working with electronics, especially power supplies, it’s crucial to take precautions to protect yourself from electric shock and other hazards. Always disconnect the power supply from the mains before working on it. This will prevent you from getting shocked if you accidentally touch a live wire. Never work on a power supply while it’s plugged in. Even if the power supply is switched off, there may still be dangerous voltages present inside. Use a multimeter to check that the capacitors are discharged before touching any components. Capacitors can store a significant amount of energy, even after the power supply has been disconnected. Wear safety glasses to protect your eyes from flying debris. When soldering, wear a respirator to avoid inhaling fumes. Soldering fumes can be harmful to your health. Work in a well-ventilated area to avoid inhaling fumes. Use a soldering iron with a grounded tip to prevent static discharge from damaging sensitive components. Be careful when handling sharp objects, such as soldering irons and wire cutters. Keep your work area clean and organized to prevent accidents. Don’t work when you’re tired or distracted. It’s easy to make mistakes when you’re not paying attention. If you’re not comfortable working with electronics, it’s best to take the power supply to a qualified technician. Working with high voltages can be dangerous, and it’s not worth risking your safety. When replacing components, use the correct type and rating. Using the wrong component can damage the power supply or create a safety hazard. Double-check your work before plugging the power supply back in. Make sure that all connections are secure and that there are no short circuits. Test the power supply with a non-critical load before connecting it to your sensitive equipment. This will help you identify any problems before they cause damage. By following these safety tips, you can minimize the risk of accidents and ensure that you can work on your electronics projects safely and effectively. So be careful, take your time, and always prioritize safety.

Conclusion

So, there you have it! A comprehensive guide to understanding and troubleshooting the IILM723 power supply schematic. With a little bit of knowledge and the right tools, you can tackle many common power supply problems yourself. Remember to always prioritize safety and take your time. Good luck, and happy tinkering!